相關產品:
保溫球閥
氣動三通球閥
蝸輪固定球閥
電動對夾式球閥
全鍛鋼高壓硬密封球閥
精小型氣動O型切斷球閥
電子式電動O型球閥
氣動O型切斷球閥
電動O型調節球閥
氣動保溫球閥
襯氟球閥
外螺紋球閥
不銹鋼法蘭球閥
高壓焊接球閥
廣式內螺紋球閥
三通四密封球閥
三片式承插焊球閥
法蘭三通球閥
廣式法蘭球閥
法蘭放料球閥
鍛鋼硬密封球閥
三片式對焊球閥
三片式法蘭球閥
三片式球閥
二片式球閥
一片式球閥
對夾式薄型球閥
電動三通球閥
保溫縮徑球閥
超薄型對夾保溫球閥
對夾式保溫球閥
氣動固定球閥
蝸輪浮動法蘭球閥
螺紋不銹鋼三通球閥
不銹鋼整體高溫球閥
氣動浮動不銹鋼球閥
電動硬密封V型調節球閥
電動固定球閥
鍛鋼固定球閥
電動O型調節球閥概述:
ZJKR、ZDJR系列電動O型調節閥是一種轉為90 0 的旋轉類型調節閥,密封性能優良,流通能力大,流阻系數小,結構簡單、維修方便、使用壽命長,配用KDJ-Ⅱ、Ⅲ執行器引配日本工裝、西德歐姆龍等高性能執行機構。產品機通常用于密封要求嚴格的場合,除控制氣體、液體、蒸氣介質外,還適宜控制污水和含有纖維雜質的介質,廣泛用于石油、化工、冶金、輕工、造紙、電站、制冷等工作領域。
電動O型調節球閥主要技術參數和性能指標:
| 公稱通徑mm | 15 | 20 | 25 | 32 | 40 | 50 | 65 | 80 | 100 | 125 | 150 | 200 | 250 | 300 | 350 | 400 |
| 額定流量系數Kv | 17 | 33 | 62 | 95 | 146 | 323 | 350 | 439 | 810 | 1205 | 1912 | 3014 | 4306 | 6540 | 8750 | 11800 |
| 公稱壓力 | PN1.6,6.4MPa | |||||||||||||||
| 連接型式 | 法蘭連接,按JB79-59標準 | |||||||||||||||
| 球閥轉角 | 90 0 | |||||||||||||||
| 閥體材料 | 鑄鋼,鑄不銹鋼 | |||||||||||||||
| 適用溫度℃ | -40~+180(常溫型)、-40~+450(中溫型) | |||||||||||||||
| 執行機構 | DJK-Ⅱ、Ⅲ型PS AUTOMATION CMBH、LNAR-KOSO、Unic-Z電動執行機構 | |||||||||||||||
| 輸入信號 | 0~10mA 4~20mA 1~5V DC | |||||||||||||||
| 基本誤差 | ≤全行程的±2.5% | |||||||||||||||
| 回差 | ≤全行程的2.0% | |||||||||||||||
| 死區 | ≤全行程的3.0% | |||||||||||||||
| 泄漏量 |
軟密封,JB/T7378-94表二的V級 硬密封,JB/T7378-94表2的IV級 JB/T7378-94標準表2見附表 |
|||||||||||||||
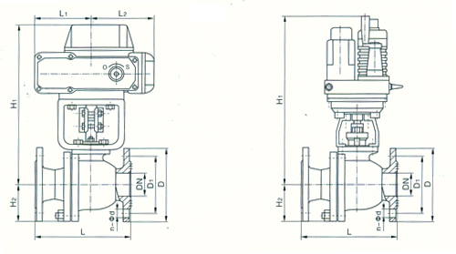
電動O型調節球閥結構尺寸圖


電動O型調節球閥外形及連接尺寸
ZKJR-16型
| 公稱通徑DN | L | H 1 | H 2 | D | D 1 | n-d |
| 25 | 150 | 470 | 58 | 115 | 85 | 4-18 |
| 32 | 165 | 490 | 68 | 135 | 100 | 4-18 |
| 40 | 180 | 500 | 73 | 145 | 110 | 4-18 |
| 50 | 200 | 620 | 80 | 160 | 125 | 4-18 |
| 65 | 220 | 630 | 90 | 180 | 145 | 4-18 |
| 80 | 240 | 650 | 98 | 195 | 160 | 8-18 |
| 100 | 280 | 685 | 120 | 215 | 180 | 8-18 |
| 125 | 320 | 730 | 140 | 245 | 210 | 8-18 |
| 150 | 360 | 880 | 167 | 280 | 240 | 8-23 |
| 200 | 450 | 970 | 210 | 335 | 295 | 12-23 |
| 250 | 600 | 1020 | 335 | 405 | 355 | 12-25 |
| 300 | 700 | 1310 | 385 | 460 | 410 | 12-25 |
| 350 | 800 | 1355 | 420 | 520 | 470 | 16-25 |
| 400 | 900 | 1405 | 470 | 580 | 525 | 16-30 |
電動O型調節球閥電子式內伺服ZDJR-16型
|
公稱通徑 DN |
PS ATUOMATION CMBH | LNAR-KOSK | Unic-Z | ||||||
| H 1 | L 1 | L 2 | H 1 | L 1 | L 2 | H 1 | L 1 | L 2 | |
| 25 | 358 | 182 | 90 | 291 | 56 | 225 | 247 | 98 | 110 |
| 32 | 376 | 182 | 90 | 309 | 56 | 225 | 265 | 98 | 110 |
| 40 | 384 | 182 | 90 | 317 | 56 | 225 | 273 | 98 | 110 |
| 50 | 443 | 182 | 90 | 376 | 56 | 225 | 332 | 98 | 110 |
| 65 | 531 | 210 | 105 | 426 | 56 | 255 | 342 | 123 | 133 |
| 80 | 561 | 210 | 105 | 441 | 56 | 255 | 357 | 123 | 133 |
| 100 | 654 | 252 | 131 | 461 | 56 | 255 | 379 | 123 | 133 |
| 125 | 701 | 252 | 131 | 560 | 68 | 270 | 426 | 123 | 133 |
| 150 | 721 | 252 | 131 | 580 | 68 | 270 | |||
| 200 | 791 | 252 | 131 | 705 | 80 | 335 | |||